1. Hasco快速耦合设计用于塑料模具和模具,死在水,空气或油线中。
2.它们具有组合黄铜和不锈钢防泄漏结构;具有最高额定容量 200 psi;并承受高达200℃的温度,并带有Viton密封件。
3.快速耦合可以与模具或模具中的相同乳头塞互换使用, 两种类型快速耦合的可比尺寸具有相同的O.D.,甚至允许互换性
当塞子齐平时。
4. HASCO快速耦合有一个大孔,可以提供无限制的流动。这些快速连接耦合器是 可提供直型,45°或90°软管茎,或标准的雌性或雄性NPT螺纹。
5.乳头插头和快速耦合具有相同的O.D.,允许与乳头塞完全互换性 安装在模具或死亡中。
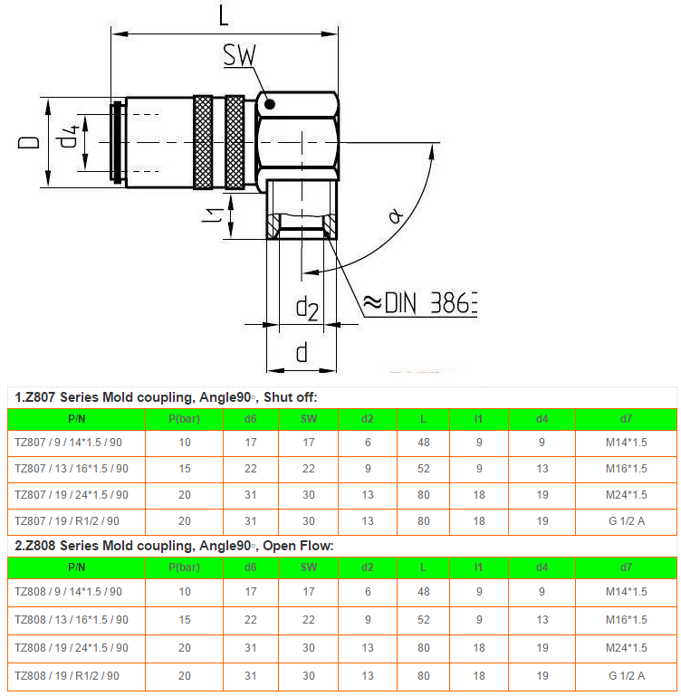
| 第四部分: | TZ807/90°,TZ808/90°系列 |
| 材料: | 黄铜 |
| 海豹 : | 维顿 |
| 形状 | 角度90° |
| 男性线 | M14*1.5,M16*1.5,M24*1.5,G1/2或其他自定义 |
| 温度愤怒 | -20℃到MZX 160℃ |
| 工作压力 | 0-20bar |
| 模具 | 开放或关闭 |
1. Hasco快速耦合设计用于塑料模具和模具,死在水,空气或油线中。
2.它们具有组合黄铜和不锈钢防泄漏结构;具有最高额定容量 200 psi;并承受高达200℃的温度,并带有Viton密封件。
3.快速耦合可以与模具或模具中的相同乳头塞互换使用, 两种类型快速耦合的可比尺寸具有相同的O.D.,甚至允许互换性
当塞子齐平时。
4. HASCO快速耦合有一个大孔,可以提供无限制的流动。这些快速连接耦合器是 可提供直型,45°或90°软管茎,或标准的雌性或雄性NPT螺纹。
5.乳头插头和快速耦合具有相同的O.D.,允许与乳头塞完全互换性 安装在模具或死亡中。
| 第四部分: | TZ807/90°,TZ808/90°系列 |
| 材料: | 黄铜 |
| 海豹 : | 维顿 |
| 形状 | 角度90° |
| 男性线 | M14*1.5,M16*1.5,M24*1.5,G1/2或其他自定义 |
| 温度愤怒 | -20℃到MZX 160℃ |
| 工作压力 | 0-20bar |
| 模具 | 开放或关闭 |